这种蜗轮减速机可以广泛地应用于各种传动机械中的减速传动,如冶金、矿产、起重、化工、建筑、橡塑、船舶等行业以及其它机械设备上,适用工作环境温度为-40℃~+40℃,输入轴转速不大于1500转/分,蜗杆轴可正反两方向旋转。此减速机是按照中华人民共和国机械行业标准JB/T9051——1999《平面包络环面蜗杆减速机》设计制造。TP型平面包络环面蜗杆减速机(JB/T9051-1991)为平面一次包络蜗杆减速机传动。中心距:100、125、160、200、250、315、400、500。速比:10、12.5、16、20、25、31.5、40、50、60。平面环面包络蜗杆减速机是一种新兴的传动装置,其承载能力大,传动效率高,结构紧凑、合理。
型号与标记示例
1 型号

2 标记示例
例 蜗杆在蜗轮之下, 中心距为200mm, 公称传动比为10, _种装配型式, 有风扇冷却的平面
包络环面蜗杆减速器:
减速器 TPU200 - 10 - 2F JB/T 9051—1999
中心距a (mm)
| 型号 | 中心距a | |||||||||||||
| TPG | _系列 | 80 | 100 | — | — | — | — | — | — | — | — | — | — | — |
| _系列 | — | — | — | — | — | — | — | — | — | — | — | — | — | |
| TPU | _系列 | 125 | — | 160 | — | 200 | — | 250 | — | 315 | — | 400 | — | 500 |
| _系列 | — | 140 | — | 180 | — | 224 | — | 280 | — | 355 | — | 450 | — | |
| TPS | _系列 | 125 | — | 160 | — | 200 | — | 250 | — | 315 | — | 400 | — | 500 |
| _系列 | — | 140 | — | 180 | — | 224 | — | 280 | — | 355 | — | 450 | — | |
| TPA | _系列 | 125 | — | 160 | — | 200 | — | 250 | — | 315 | — | 400 | — | 500 |
| _系列 | — | 140 | — | 180 | — | 224 | — | 280 | — | 355 | — | 450 | — | |
| 型 号 | TPG TPU TPS TPA | ||||||||
| 公称传动比i | 10 | 12.5 | 16 | 20 | 25 | 31.5 | 40 | 50 | 63 |
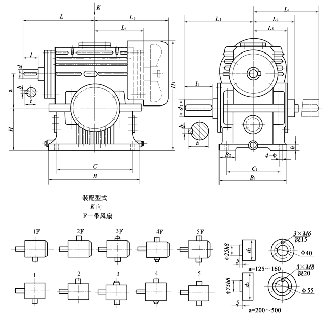
TPU二次包络环面蜗杆减速机外形安装尺寸:

| 型号 | a | B | B1 | B2 | C | C1 | H | H1 | h | L | L1 | L2 | L3 | L4 | L5 | l | l1 | d | d1 | d2 | b | b1 | t | t1 | Ф | 质量(kg) |
| TPU125 | 125 | 300 | 300 | 70 | 250 | 250 | 125 | 422 | 30 | 307 | 320 | 185 | 280 | 217 | 175 | 82 | 140 | 40 | 70 | 80 | 12 | 20 | 43 | 74.5 | 19 | 157 |
| TPU160 | 160 | 380 | 375 | 100 | 320 | 310 | 160 | 540 | 40 | 375 | 375 | 210 | 360 | 280 | 190 | 82 | 170 | 50 | 85 | 95 | 14 | 25 | 53.5 | 90 | 24 | 258 |
| TPU200 | 200 | 450 | 450 | 125 | 370 | 370 | 200 | 650 | 40 | 420 | 400 | 235 | 435 | 345 | 225 | 82 | 170 | 55 | 95 | 110 | 16 | 28 | 59 | 101 | 28 | 475 |
| TPU250 | 250 | 600 | 550 | 150 | 500 | 450 | 225 | 820 | 50 | 530 | 495 | 290 | 520 | 408 | 270 | 105 | 210 | 65 | 120 | 140 | 18 | 32 | 69 | 127 | 35 | 800 |
| TPU315 | 315 | 720 | 590 | 120 | 630 | 500 | 280 | 990 | 65 | 630 | 600 | 360 | 605 | 492 | 345 | 130 | 250 | 80 | 140 | 160 | 22 | 36 | 85 | 148 | 39 | 1100 |
| TPU400 | 400 | 850 | 720 | 160 | 750 | 620 | 320 | 1200 | 75 | 720 | 720 | 425 | 692 | 540 | 405 | 165 | 300 | 100 | 180 | 200 | 28 | 45 | 106 | 190 | 48 | 2150 |
| TPU500 | 500 | 1060 | 900 | 200 | 920 | 760 | 400 | 1490 | 90 | 850 | 840 | 495 | 845 | 680 | 488 | 165 | 350 | 110 | 200 | 240 | 32 | 45 | 117 | 210 | 56 | 3600 |
TPS环面包络减速机外形安装尺寸

| 型号 | a | (Ф) D | (Ф) D1 | h1 | (Ф) B | B1 | B2 | H | L | L1 | L2 | L3 | L4 | l | l1 | d | d1 | b | b1 | t | t1 | h | Ф | 质量 (kg) |
| TPS125 | 125 | 380 | 280 | 6 | 330 | 265 | 193 | 180 | 307 | 280 | 203 | 320 | 175 | 82 | 140 | 40 | 70 | 12 | 20 | 43 | 74.5 | 25 | 19 | 170 |
| TPS160 | 160 | 530 | 380 | 10 | 470 | 338 | 268 | 200 | 375 | 365 | 280 | 375 | 190 | 82 | 170 | 50 | 85 | 14 | 25 | 53.5 | 90 | 40 | 24 | 290 |
| TPS200 | 200 | 650 | 480 | 10 | 580 | 405 | 335 | 250 | 425 | 436 | 330 | 400 | 210 | 82 | 170 | 55 | 95 | 16 | 28 | 59 | 101 | 40 | 32 | 530 |
| TPS250 | 250 | 800 | 600 | 12 | 700 | 495 | 400 | 280 | 530 | 520 | 406 | 495 | 270 | 105 | 210 | 65 | 120 | 18 | 32 | 69 | 127 | 50 | 35 | 930 |
| TPS315 | 315 | 920 | 710 | 15 | 820 | 623 | 460 | 355 | 630 | 605 | 492 | 600 | 340 | 130 | 250 | 80 | 140 | 22 | 36 | 85 | 148 | 65 | 39 | 1300 |
| TPS400 | 400 | 1100 | 850 | 15 | 1000 | 740 | 550 | 420 | 720 | 692 | 540 | 720 | 405 | 165 | 300 | 100 | 180 | 28 | 45 | 106 | 190 | 75 | 48 | 2450 |
| TPS500 | 500 | 1340 | 1060 | 20 | 1200 | 920 | 675 | 530 | 850 | 845 | 680 | 840 | 488 | 165 | 350 | 110 | 200 | 32 | 45 | 117 | 210 | 90 | 56 | 3850 |

| 型号 | a | B | B1 | B2 | C | C1 | H | H1 | h | L | L1 | L2 | L3 | L4 | L5 | l | l1 | d | d1 | d2 | b | b1 | t | t1 | Ф | 质量(kg) |
| TPA125 | 125 | 360 | 300 | 50 | 310 | 250 | 180 | 438 | 30 | 307 | 320 | 185 | 280 | 217 | 175 | 82 | 140 | 40 | 70 | 80 | 12 | 20 | 43 | 74.5 | 19 | 165 |
| TPA160 | 160 | 460 | 320 | 80 | 400 | 260 | 225 | 550 | 40 | 375 | 375 | 210 | 365 | 280 | 190 | 82 | 170 | 50 | 85 | 95 | 14 | 25 | 53.5 | 90 | 24 | 285 |
| TPA200 | 200 | 540 | 400 | 100 | 450 | 320 | 250 | 658 | 40 | 420 | 400 | 265 | 436 | 345 | 224 | 82 | 170 | 55 | 95 | 110 | 16 | 28 | 59 | 101 | 28 | 510 |
| TPA250 | 250 | 720 | 480 | 120 | 620 | 380 | 315 | 792 | 50 | 530 | 495 | 290 | 520 | 406 | 270 | 105 | 210 | 65 | 120 | 140 | 18 | 32 | 69 | 127 | 35 | 900 |
| TPA315 | 315 | 850 | 600 | 140 | 750 | 500 | 400 | 1000 | 65 | 630 | 600 | 360 | 605 | 492 | 345 | 130 | 250 | 80 | 140 | 160 | 22 | 36 | 85 | 148 | 39 | 1250 |
| TPA400 | 400 | 950 | 720 | 170 | 850 | 620 | 500 | 1200 | 75 | 720 | 720 | 425 | 690 | 540 | 410 | 165 | 300 | 100 | 180 | 200 | 28 | 45 | 106 | 190 | 48 | 2300 |
| TPA500 | 500 | 1180 | 900 | 200 | 1040 | 760 | 630 | 1530 | 90 | 850 | 840 | 495 | 845 | 680 | 488 | 165 | 350 | 110 | 200 | 240 | 32 | 45 | 117 | 210 | 56 | 3700 |